法林岳之・石川温・石野純也・佐藤文彦のスマホ会議(仮)
不正還流、SyncMe、3G停波。激変する通信業界の裏側を語り尽くす
2026年4月22日 00:00
架空計上に気が付いた会長の鋭い眼
佐藤
3月31日にKDDIが子会社のビッグローブとジー・プランが関わる広告事業における不正還流取引について、特別調査委員会の調査報告、KDDIグループとしての対策や今後の方針を発表しました。
石川氏
会見でKDDIが謝罪すると、なぜか髙橋誠会長の株価が上がるっていう謎現象が起きる(笑)。髙橋さんが去年の2月の段階に気づかなければ、もっとバレずに膨らんでいた可能性も十分にあるし、じゃあその1年前、さらにその2024年に気がつくかっていうと、なかなかそうではないのでしょう。
会見での説明を聞く限り、直近の2年で、全体の85%ぐらいの金額をやり取りしていたことになる。髙橋さんだけが気づき、「通信よりも広告側が成長しているのは怖い」と言ったことで、ドラマが始まっていくっていう。
石野氏
ほかのライターさんが、今回の会見をGeminiで小説風にまとめていたので、ちょっとパクって、「経済小説風にまとめて」と指示をだしたら、髙橋さんのセリフをすごいフィーチャーするんですよ。冒頭の印象的なシーンに持ってきていて、AIにも好かれてるなと思いました。他の役員の人はみんな気づいてなかったあたりも含め、髙橋さんの鋭さが光っています。
石川氏
髙橋さんとしては、(当時の時点で)社長になってからもう何年も経ってる。経営者の目として、KDDIだけじゃなく、全体の様々な事業を見られているということだと思うし、役員レベルだと、自分の担当している部署しか見られてない。
石野氏
髙橋さんはコンテンツサービスに知見があるので、肌感覚として、広告でこんなに急成長するわけないだろうっていう、業界の常識的なセンサーは働いたのかなと。髙橋さんに直接お話を伺ってみたいですね。
法林氏
石野くんの話はまさにそうで、髙橋さんは広告が絡むとどうなるのかがよくわかっていて、そこは強みとしてあった。他の人たちはどうして気づかなかったのかという話になるけど、認識が甘かったというのと、自分事にしていない感じがあるよね。
石野氏
でも、ジー・プランの事業にまで関心を持つのって、結構大変だなと思います。子会社の子会社で、しかもポイントの変換システムが売りの会社じゃないですか。そこに関心を持てと言われると、なかなか難しいとは思ったんですけど、逆に言うと、関心のないようなところまでちょっと手を広げすぎてる感じはあるかなと。
石川氏
そう。だからあの話を聞いて、他の子会社とか大丈夫なのかなって思っちゃった。
法林氏
結局、子会社が増えてくると、管理はどうするのかという話になる。自分の信頼できる部下を子会社に送り込めればいいんだけどね。
石川氏
でも、ビッグローブの社長だった山田さんは、まさにそのパターンだったんじゃ……。髙橋さんが社長のころに、山田さんをビッグローブに送ったんだけど、全然機能してなかったってことですよね。
石野氏
auエネルギー(ホールディングス)というか電力事業のフォローをしておくと、ソフトバンク宮川社長の入社式の挨拶では、通信事業者としてAIもやるし、基地局もあるし、これから電気をいっぱい使わないといけないので、自分たちで電気にも取り組んでいますっていうようなことを言っていて、通信事業と関係あるというアピールがされていました。
石川氏
一方でドコモの前田社長は、「違和感に気づけ」と。
石野氏
あの切り抜き方は悪意がありますよね(笑)。
※編集部注:他紙で、KDDIの問題を連想させるようなタイトルの記事があった。
窮地に陥ったKDDIは「ピンチをチャンスに」できるか
関口
会見での松田さんの説明では、サテライトグロース戦略やっていて、通信軸に関わりあるところはこれからもやっていくと話しています。
石野氏
そういう意味では、関わりが薄いところは、やっぱり端のほうに置かれていますよね。
関口
孫会社クラスになると、なかなかしんどいですよね。
石川氏
しんどいし、やっぱりインターネット広告のスキームって、通信事業者にはなかなか理解できないんじゃないですかね。実際にやってみないと、どういう仕組みで、どういった値段の引き下げをするのかとかがわからない。テレビCMだったら、明らかに放送してない時、後から確認できるけど、インターネット広告の場合は、どこにどれだけ掲載されてるのか、確認を取るのも難しい。
石野氏
証拠が残らないですからね。ビッグローブも、通信事業の方で伸び悩みがあったのか、新規事業に手を出そうとしていた感じがしますよね。
石川氏
だって、ISPはもう伸びしろがないじゃん。
石野氏
そうなんですよね。伸びが止まってしまっていました。
法林氏
良くないのは、KDDIがビッグローブを買収した時に、事業の方向性を話してない。KDDI傘下になったから、ビッグローブがauひかりを売っていくのかといったら、そうじゃなくて、auひかりが入っていない場所で、NTTの光コラボを売っていきたいっていう方針だったので、そういうことを含めて、ちゃんと説明をしないとダメだよね。
石野氏
MVNOも、au回線に比重は置いてるんですけど、説明はちゃんとしてない。何か新しいものを作らなきゃっていうプレッシャーはあったのかなと思ってしまいます。急に「ONSEN WORK」っていう、温泉でテレワークをするといった趣旨の事業を始めたときに、大丈夫かなって心配していたんですよね。
そういうのがちょっとずつある中のうちの1つが、今回の広告じゃないですか。温泉テレワークはコロナのタイミングですし、確かにテレワークなんで、一応通信とは関係はあるんですけどね。
法林氏
僕はビッグローブが九州にネットワーク拠点を開設する記者説明会を取材したとき、改めて思ったのは、ビッグローブにはかつてのPC-VANから続いているNECの技術者がちゃんと残っているんだな、ということ。だけど、その上に乗っかるマーケティングとかプロモーションの人たちが、KDDIから異動してきたり、他社から入ってきていて、うまく噛み合っていないという印象もあった。それが今回の件で、ちょっと納得してしまった。
石野氏
MVNOも、ゼロレーティングサービスとか、技術的なところはちゃんとしてたりする。あと、パケットの最適化をして、速度を安定させるみたいなこともやってた。こういう通信技術は優れてはいるんですが、これがいかんせん、どうKDDIとシナジーがあるのかよくわからないんですよ。
石川氏
KDDIとビッグローブのシナジーで言ったら、eSIM クイック転送くらい。
石野氏
子会社は、SIMの出し方がちょっと違うらしいんですよね。だから、iPhoneとかにSIMを挿すと、ちゃんとビッグローブって出るんですよ。SIMの番号でキャリア区別されているからできるっていう話は聞いたことがある。
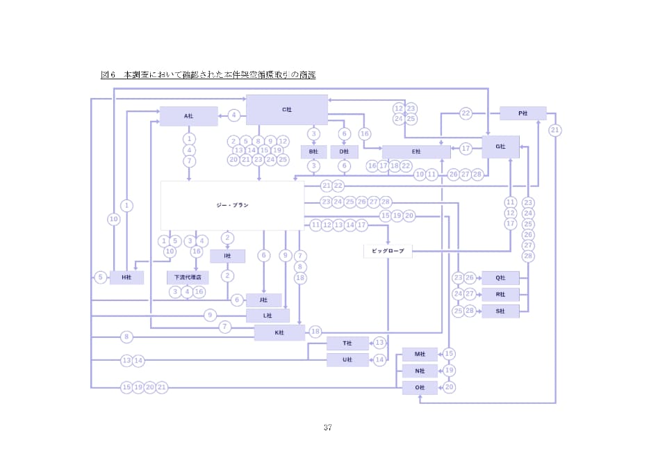
関口
詳細な資料には、どのような形で架空計上の取引が行われていたのか、図解されたものが載っていますね。
石野氏
かなり複雑ですよね。
石川氏
ただ、2月の会見のときから、内容的にはそんなに変わってなかった。
関口
一見するとそうですよね。
石野氏
商流の図を見ると、確かにごまかされるかもって思ってしまうというか、金の流れ分かりづらいなと思うんですけど、会見ではこれをキュッとまとめて、簡略図しか出してない。簡略版だけを見ると、なんで気づかないのって思われてしまうので、イメージとして詳細な図も出しておいた方がよかったんじゃないかなとは思います。
石川氏
やっぱり、きっちり調査しないとここまで出てこないってことですね。
法林氏
詳細なお金の流れも、ヒアリングして出てきたという話。仮にこれの断片に気がついたとしても、全容はわからないから、そこでツッコミはできないよね。まして、言い訳はうまくできてたわけでしょ。
関口
詳細図に記載されている番号が、お金の流れを表していると。
石野氏
そうですね。ここまで分散されるとわからない。
関口
一応、反社会的な会社との取引は認められていない。
石野氏
反社リストに登録された会社はないっていうことですね。
法林氏
ただ、関わった広告代理店さんの名前を出さないっていうところが引っかかる。本当にKDDIとビッグローブ、ジー・プランの中でだけでとどめてていいのか、業界内にちゃんと情報流通させるのかは、ちょっと考えないといけない。
石野氏
広告代理店と言いながら、小さい広告を扱うところには、少し怪しげな人も見かけますよね。
石川氏
関わった広告代理店と、顔を合わせてやり取りしてるかというとそうじゃなくて、おそらく全部オンラインで取引されてると思う。だから、2人でいくらでもごまかしが効く。この構図って、ビッグローブに限った話じゃないんじゃないのかなという気がしてしまいます。
関口
広告においては、今の石川さんのご指摘が、各社が気にしなくてはいけないところですが、KDDIに限ると、この循環取引みたいなものが、他の事業で起こり得るのかどうか。対策としてこれから頑張っていきますというお話はありましたが、いかがですか。
石野氏
循環取引って結構典型的で、自転車操業で漕いでいかないと、最後には資金がショートしてしまう。結果、売上がちょっとずつ上がっていくような仕組みになっているので、AIがすごい検知しやすいと思うんですよね。
法林氏
そうだね。パターンがある程度見えている。
石川氏
なので、KDDIはこの教訓を活かして、AI絡めて、こういった関連会社での不正取引を検知するサービスを、WAKONXでやれば、いい商材になるかも。「MAKOTOくん」っていう名前つければ、めちゃくちゃヒットするはず(笑)。
石野氏
実際、循環取引を見抜くAIは、ちょっと前にどこかの会社が出していました。そのKDDI版を作ればいい。
石川氏
チャンスは絶対にあると思う。
関口
通信障害を糧に頑張って、今や世界No.1の通信品質になったように、ということですね。
石川氏
子会社、孫会社のガバナンスを引かせようと思ったら、やっぱりAIに頼るしかないと思う。
全体の99.7%が架空、飲食代3000万円の衝撃
石野氏
会見で気になったところで言うと、しれっと減損していた。びっくりしましたね。
関口
あの出し方はちょっとひどくないですか。
石野氏
一応、ビッグローブと合わせて、額が大きくなってしまったので、適時開示的な形で出したという話ですが、それは前回の会見とか、次回の決算でもよかったはず。若干うやむやにしようとしてる感がある。
石川氏
前回、不正取引について説明した会見では、トヨタの社長が変わるっていうニュースがあって、その週末にはオリンピックが開催されるタイミングだったので、あまりメディアに出なかったんですよ。
今回も3月31日にやりましたが、年度末なので、4月からどうなるっていう話ばっかりニュースやっていて、あまり取り上げられてない。
石野氏
値上げとか、iモード終了といったニュースがありましたからね。
石川氏
そうそう。いいタイミングで会見をしているなと思いました。
石野氏
一応、会見まで終わったので、ようやくKDDIの人たちが表に出てきやすくなる。MWCでも頑張ってたのに控えめになってしまい、サムスンでは唯一インタビューに応じなかったりしました。こちら側の勝手な推察ですが、諸事情というのはこういう事情なんだろうなと。
石川氏
もう一個触れておくと、99.7%が架空取引だったっていうのはちょっと驚いた。
石野氏
逆に0.3%がすごく気になるんですよね。どんな広告が入っているんだろうというのがちょっと気になりましたね。0.3%はやってたんだっていう驚きもあるし、その0.3%に関わっている会社の方が数が多かったりする。0.3%といっても、億に届く金額で、関わった会社は百何十社いた。
石川氏
ということは、平均すると1件で100万円ぐらいってことか。
石野氏
小さい広告ならあり得る金額ですね。
石川氏
実態がそれだけしかなかったのに、何百億円も売り上げているように見せて、社内で表彰されてるっていうのは、さすがにちょっとどうなのかなっていう。
石野氏
表彰されていたのはびっくりしました。
法林氏
業績は出るから、表彰ぐらいはあるかもしれないけど、そこに関心がなかったっていうのはどうなのか。関心を持つべきっていうのが本当のところ。
石川氏
ビッグローブという会社でそこまで稼いでいたら、気が付かないとだめですよね。そんなに儲かるなら、ISPなんてやめて、広告でやっていけばいいという話になります。
関口
一般的なお話として、事業を進める際には、成長目標といった話が出てくると思います。前年度の数字をもとにするのか、どういう案件で何が売れて、前年度実績でこうなってるから、次の年度は人を増やす、営業を増やすといったロジックが立ちます。
一方で今回は、単純に前年度100%だから、次は105%を目指しましょうみたいな、何の根拠もない目標になって、成長を達成できてるんだったらそれで良しとされてしまったように見えます。前年度を上回ることしかKPIになってなかったのかなという風に見えてしまいますよね。
法林氏
業種によって違うだろうけど、売り上げを伸ばしていくのか、内容を充実させていくのか。儲けが全てではないと思うけど、全体的な意味合いがちゃんとないまま、来年はこうしますって言ってて、伸びてたからよかったですって話になってる印象はある。
石野氏
お金しか見てない感じがしますよね。ただ、お金しか見てない割には、飲食代3000万円がさらっと語られてたのがびっくりしました。
法林氏
3000万円は結構でかいよね。
石野氏
主目的ではないとは言いつつも、2年間で3000万円を普通の会社員がもらっていたら、結構なプラスアルファだぞっていうのがあります。
法林氏
飲食代として、現金が渡されていたと。2年と3カ月だから、ひと月100万円以上だね。
関口
豪遊じゃないですか。
石川氏
ひと月100万円なので、週1でも1回25万円ってことですよね。調査報告書にはキャバクラその他飲食代と記載されていますが、いいご飯を食べた後にキャバクラに行っていたと考えたら、それくらいになるのかな。
石野氏
とはいえ、毎週行きますかね。
石川氏
年間で何百億も売り上げている人ですよ?
佐藤
架空ですからね(笑)。
石川氏
それで社内表彰までされているんですから、許されるでしょ(笑)。
法林氏
問題なのは、表彰されてるってことは、会社として認めてるってことになる。業績だけを見て、よく頑張ったねっていう話でいいのか。数字だけを見て表彰するのか、内容を見て表彰するのか、よく考えるべき。
石野氏
しかし、主犯の人は破滅的な生き方をしていますね。最初は、自分の立ち上げた事業が消えるかもっていう、数十万円の赤字にビビって始めたのに、いざ回しているうちにどんどん金額が多くなっていき、その中の一番癒着していたC社からキックバックを得るようになったら、もうやめられない、止まらないと。
石川氏
それでいったら、楽天モバイルでも、基地局の発注をしていて、めちゃくちゃ儲けている人がいたよね。
石野氏
いましたね。マンションまで買っていますから、豪遊ぶりはそっちのほうがすごかったですね。
関口
まさか楽天モバイルに飛び火するとは(笑)。
期待感の強いドコモのAIエージェント「SyncMe」
佐藤
MWC26 Barcelonaでは、ドコモの「SyncMe」のブースもあり、実際に体験もさせていただきました。かなり期待感があるかと思いますが、いかがでしたか。
石川氏
オンラインで説明を聞いているときは、さっぱり中身がわからずに悶々としてたし、あのキャラクターも、自分からするとちょっとかわいすぎてとっつきにくいと思っていましたが、dアカウントでログインして、自分のプロファイリングを見た瞬間に、「これやべえな」って。
関口
思いましたね。
石野氏
ドコモの広報の戦略に、まんまと乗せられた感じがしますよね。我々が興味を持ちそうなプロファイリングをうまく仕込んでいます。
石川氏
実は広報が入力してんじゃないかっていうくらい(笑)。
石野氏
記事にもなっていますが、ちょっと気持ち悪いくらい当たっています。かわいいキャラをおっさんが使って、会話してるのはどうなんだっていうのは、ちょっと思うところはあるんですが、この情報に基づいたら、かなり面白いレコメンドしてくれそうだなっていう期待感もすごいある。その期待感を、こういう形で我々に見せてきたドコモ広報がすごいなって思いました。
関口
ちょっとしてやられた感じがしましたね。
石野氏
そうですね。食いついちゃいましたね。
石川氏
かなり可能性を感じるというか、自分にぴったりなレコメンドしてくれる、ハズレがないだろうなって感じもするし、これをベースにして、企業と結びつけたときのインパクトってすごい大きいんだろうなと。
こういうことに興味ある、ここに住んでいる、こういったお金の使い方してるといった情報がある人に対して、企業が情報発信するとか、チケット売るとか、レコメンドをするとかが、めちゃくちゃこう効いてくるなと感じる。じゃあこれをできる企業って、ドコモ以外にあるのかなって言ったら、あんまりないんじゃないのかな。
楽天が本気でやればできるだろうけど、クレジットカードの決済金額が全然違うんだろうなとも思う。dカードゴールドっていう、1000万人が持っているカードがベースにありますから。自分はdカード解約済みだから節約主義だって書かれていましたけど(笑)。楽天がここに気づいて、キャッチアップしたら面白い感じもするし。
関口
詳しすぎて、気持ち悪がられるリスクはありませんか。
石川氏
そこはドコモ担当者も気にしていましたね。
石野氏
体験させてもらった画面には、しっかり「デモ用」と書かれていますね。
佐藤
実際にユーザーに出すところでは、ここまで詳細には情報を使わないと言っていましたね。
石川氏
情報を小出しにしていって、対話していることで理解しているという見せ方にすれば、気持ち悪がられないはず。
法林氏
社内ではいろいろ話し合いがあったらしいね。一度、情報量を抑えたものを作って見せたら、こんなのはダメだって言われたので、振り切って出したっていう話は聞いた。
本当にサービスとして出した時に、お客さんにすんなり受け入れられるかはまた別次元。特に日本市場と海外市場では、だいぶ受け取り方が違うと思うので、どういうふうにバランスを取るのかは興味がある。
石川氏
それこそ、ユーザーによって出し分ければいい話です。我々みたいに面白がる人に対しては深く出せばいいし、そういったことを怖がる人に対しては、ちょっとずつ出していくということもできる。
けど、実際に見て思ったのが、これで色々とAIと会話していくことによって、じゃあd払いをもっと使おうとか、dカードで買い物をしてみようかなとなってくるので、ドコモ愛が高まるような気がする。意外とこれが、解約抑止にも繋がっていくんじゃないのかなっていうのは、前田さんとも話しました。
法林氏
ロイヤリティは高まるかもね。他社回線を契約している人がdアカウントを作って試した時に、得られる情報は限られる。その時にどういう風に情報が出てくるのかは、ちょっと見てみたい。
石野氏
僕たちのものは、過去20年ぐらいの蓄積があるデータですからね。とはいえ、出勤時間とかもバレていたのは結構ビビりましたね。
石川氏
自分は就業時間午前11時になっていた。それはどうなんだっていう。
石野氏
僕のは10時50何分とか出てて、この働き方でこの年収だと、多分自由業ですみたいな。
石川氏
やっぱり、位置情報を持ってるっていうのも、また大きいよね。
石野氏
強いですよね。スマホを持っているのはでかいです。
関口
僕は「超熱心な阪神ファンです」って出ました。実家が甲子園辺りなので、帰省するたびに買い物をしていると、「わざわざそこに行ってまで買ってるぐらいだから、あなたはめちゃくちゃ阪神ファンです」っていうプロファイルらしいです。実際阪神ファンなので、文句は何もないですけどね。
石野氏
でも、製品の固有名も出ているのがすごいですよね。煙草を吸うことがばれているので、JTがPloomを売ろうとクーポンを配ったりできる。
石川氏
広告としての価値が高いでしょうね。元々ドコモは、そういったことをやっていただろうけど、ますますユーザーに繋がっていく。
これはメディアとしての勝手な妄想だけど、SyncMeがiモード的になったら面白いな。ユーザーと企業をつなぐ、日本発のAIコンテンツプラットフォームみたいになってくると面白い。
関口
デジタルコンテンツを作っていた企業が、iモードのコンテンツプロバイダーになりましたけど、今度は生活の消費財みたいなのを作っているようなところが、こういうプラットフォームに乗っかってくると。
石野氏
これまで、「羊」とか「豆腐」とか、いろいろチャレンジしたんですけど、鉄道の遅延情報とか、ゴミ出しの日しか言ってくれなかった。ようやくAIで自由に喋れるようになるんだなって思います。
石川氏
あと、住信SBIネット銀行のNEOBANK aiも、いろいろなAI エージェントとくっつけたいと話をしたので、SyncMeがくっつくと、SyncMeに「誰々に振り込みお願いして」って言ったら。勝手に振り込んでくれたりとか。いろんなつながりが見えてくる。
石野氏
ユーザーの窓口になりますよね。アップルも、本当はSiriにこういうことをやらせたいんでしょうね。
石川氏
ただ、アップルはユーザーのデータをあまりクラウドに持ってない。ドコモはクラウドにデータを持っているという強みがある。
石野氏
それこそ、このデータをサードパーティーのアプリベンダーがいきなり出してきたら、ちょっと気持ち悪いと思うんですけど、「ドコモだし大丈夫だろうな」っていう安心感があるのは強いですよね。通信品質が悪いとか言われていますけど、やっぱり信頼感がある会社だなっていうのは感じます。
関口
最初に自分の好きな写真をアップロードして、パーソナライズ化していくんですよね。
石野氏
楽しみですね。モニターも応募して、無事当選しました。
佐藤
僕も当選していました。
石川氏
あれ、なにも連絡来ていない。あんなに原稿書いたのに(笑)。
iモード、FOMAの思い出を語り合う
関口
3月31日をもって、ドコモの3Gが停波されましたね。iモード、FOMAと思い出があるかと思いますが、いかがですか。
石川氏
自分は新入社員時代に、iモードの開発者にインタビューをし、iモードのすごさに気づいてこの業界入ったので、非常に思い出深いです。ドコモがすべてを決めていたというのが画期的でした。回線がこれだけ、パッケージ通信がこれだけだから、それに合ったデータを流す。データの容量を決めて、それに合った端末をメーカーに発注するというところまでをやっていたので、ビジネスモデルがうまくいった。
一方で、海外は全く違って、NOKIAが強くて、キャリアは単なる土管屋さんでしかなかったから、日本で成功したビジネスモデルは、世界では展開できなかった。アップルとグーグルはおそらく、iモードの成功を見て、自分たちでスマートフォンをやったところもあったりするので、通信の歴史を知る上で、iモードは非常に大きな存在でした。
対抗でEZwebもあったけど、夏野さん(NTTドコモにてiモードを立ち上げたメンバーの1人。現KADOKAWA代表執行役社長の夏野剛氏)は、EZwebは当時全然ダメだったっていう話をしている。確かにそうだなとも思いつつも、ライバルがいたからこそ伸びた部分もあると思います。
石野氏
そこまでダメだったとも思いませんけどね(笑)。
法林氏
3社で見たら2番手ですよ。
石川氏
ただ、やっぱり夏野さんがすごかったのは、深くまで考えられているところ。iモードにはいろんなコンテンツプロバイダーあったじゃないですか。あれって、手数料が基本にあるので、自分たちでコンテンツをブラッシュアップしないと、ユーザーが増えない。でもユーザーが増えたら増えただけ、お金が入る仕組みになっていると。
かたやEzwebは、KDDIがコンテンツを買ってきていたので、コンテンツのクオリティが全然上がらない。コンテンツを作っている側としては、KDDIに納品したらおしまいなので、iモードの方が面白いコンテンツがいっぱいあったし、EZwebはラインナップ数こそ多いけど、中身が深くないっていう状態でした。
法林氏
難しいところだね。コンテンツサービスとしては先行してたので、iモードの方が内容も良かったと思うけど、僕の見てる感じからすると、ブラウザで見るコンテンツだけじゃなくなった時代に入った時は、逆にiモードはダメだったと思っている。わかりやすい例で言うと、ナビウォークは出たけど、iモードからそういうものは出なかった。
石川氏
コンテンツを育てるという点で言うと、iモードはコンパクトHTMLを採用して、参入しやすい環境を作った一方で、EzwebはWAPっていう超めんどくさい言語だったので、参入しにくかった。
KDDI陣営が良かったのは、クアルコムが牛耳ってたところがあるので、GPSと連携のナビウォークとかもあったし、ネットワーク的はCDMA2000 1xだったので、定額制のものが導入できた。KDDIは、そういったチップとネットワークでコンテンツのクオリティが上がって、一気に巻き返してきたという側面はある思います。
石野氏
作り込んだものは、やっぱりKDDIが強いですよね。着うたフルとかもKDDI発ですし。
法林氏
現在のサービスにも結びつくけど、やっぱりKDDIの方がテクノロジーオリエンテッドな感じはしている。ただ、ドコモのゲートウェイビジネス部、iモードをやっていた人たちは、ドコモ本体からすると、主軸ではなく、外様扱いされていたのに、主流になるまでの勢いがあったということ。
石野氏
榎啓一さんっていう、理解のある部長がいたのも大きいですね。
石川氏
それこそ、一般的な会社だったら榎さんが社長になっているはずなんだけど、NTTの影響があるドコモだったからゆえ、榎さんはそうならかった。ゲートウェイビジネス部は、本当に誰も期待していなかった、外様の中の外様という立ち位置でした。
石野氏
外様だからこそ、ある程度自由にやれたっていうところもあるんですよね。孫会社ではありませんが、関心を持たれていない事業でも、成功していくことはあると。
法林氏
NTTドコモはNTTから飛び出した会社ではあるんだけど、NTTから継承されてきた立ち位置みたいなものがあって、端末やネットワークを担当している技術系の人の位置付けが高かった。そこに初めて、端からiモードみたいなビジネスが出てきたという形。
ゲートウェイビジネス部の人は、ゲートウェイと言いながら、ネットワークのことを道具としてしか思っていなくて、技術としては関係ないからね。
関口
3Gになるタイミングでも、コンテンツ側との連携みたいな話は全くなかったですよね。ドコモとして、3G FOMAの売りは何かと言ったら、テレビ電話だと。
石野氏
それではだめだということで、夏野さんのチームが乗り込んできて、ファイナルファンタジーだ、ドラゴンクエストだみたいな話になっていった。
法林氏
そこはさっきの話が絡むところで、当時は外からゲームを持ってくるのかって思った。石川君が言ったみたいに、それまでは「コンテンツを持ってきて育てます」「ちゃんと儲かる仕組み作ります」ってやってたのに、アプリになった途端に代わるのかと。ドラクエができるのは嬉しいんだけど、じゃあそれがすごく伸びたかというと、さすがにゲーム機の市場には全然勝てなくて、ちょっと無駄だった感はある。
石野氏
でも、携帯であれが動くんだっていうところと、処理能力の高さ、アプリをダウンロードできるというFOMAのネットワークの速さをうまく可視化するに、数字ではなくて、ドラクエとかファイナルファンタジーみたいなゲームを使った見せ方をしたのはうまかったし、インパクトがありました。結局、今に至るまでiPhoneとAndroidで稼いでるアプリはゲームですし、その原型を作ったのはそこなのかなという感じもします。
法林氏
ドコモの中で生まれたゲームで市場が育った、ドコモが育てたっていう話は、実はアプリに関してはあまりない。
石野氏
iモードのメンバーを見ていると、編集者的というか、コンテンツを作る人という感じではないですよね。
法林氏
そこは雑誌的だよね。コンテンツをやってる部分と、技術をやってる部分は、あまり仲が良くない。KDDIは逆で、「今度定額制をやろうと思うんだけど」という話がコンテンツ側から出たら、技術側の人たちがメールで添付できる写真はこれだけ、画像はこれだけと決めるという形だった。その辺のアプローチには、結構違いがあったかな。
石野氏
逆に言うと、そこの歯車がうまくなかったから、写メールをJ-PHONEに持っていかれ、着うたKDDIに持っていかれてしまった。
石川氏
ドコモとして、iモード成功が過信になって、写真なんて送らない、着メロがあればいいじゃんっていう感覚だった。着メロって結局、音楽を作ってる人たちは儲からない仕組みで、勝手に音楽聴いて、アレンジをする人が作るという形だったので、音楽業界からものすごい煙たがられていた。
そこでKDDIの髙橋さんが音楽業界と組んで、着うたっていう、ちゃんとその音楽のデータを配信する、データを配信したことによって、音楽業界が潤った。
石野氏
終盤の夏野さんは、髙橋さんへの対抗心かもしれないですけど、ナビなんて携帯にいらない、音楽は携帯で聞かない、カメラなんていらないと、全部外していましたよね。おサイフケータイは、先見の明がありましたが。
法林氏
ただ、おサイフケータイでもやらかしてるから。おサイフケータイを先に発表したのはドコモなんだけど、KDDIはモバイルSuicaの登場を待って、サービスを開始した。ドコモは先にSuica対応機種を発表して、「Suicaはサービスがはじまり次第、使える」とうたっていたけど、そのうち2機種ぐらいは使えなかった。
石川氏
それも結局、最初はFeliCa Networksが売り込みに来たという話でしたね。最初はFeliCa側が、1個1600円で載せろってドコモに出てきたけど、そんなの許せないから載せないかもと伝えたら、急遽ソニーの社長がドコモにやってきて、結局620円になったとか。
石野氏
ケータイに決済機能、ポイントを集約するという発想はよかったですよね。
石川氏
いい意味で「ガラケー」すぎた。今振り返ると、何もかもが早かった。
石野氏
絵文字もそうですよね。作り出すけど、標準化に持っていくところまで、いまいちやりきれてない。だからiPhoneに全部持っていかれてしまったところもあります。絵文字も結局、一個一個作ったけど、アップルやグーグルの人が頑張って標準化をやってくれた。
法林氏
いつも言うように、大きいパイを持ってる人は、そこの中しか見てない。iモード、絵文字が流行っても、世界標準に持っていきましょうという話には広がらなかった。もともと世界には絵文字が存在したので、持って行き方を失敗したなと思う。iモードを世界に持っていこうとして、頓挫した後なので、出しにくかったところもあるのかもしれないけど、もったいなかったね。
石野氏
キャリアの限界でもあるなのかな。やっぱり、基本的にその国の人たちをターゲットにしているので、発想がどうしても内向きになってしまう。
法林氏
iモードは一回置いておいて、FOMAについても話そうか。
石川氏
FOMAで言うと、最初にFOMAが始まって数カ月の間、ドコモ広報が誰もFOMAを使ってないってことに苛立ちを覚えた。ドコモ社員すら使いたいと思わない、使えないものを売るなよっていう。
法林氏
+メッセージを開始した初日に、ユーザーは僕と石野くんしかいなかったのと同じだね。
石川氏
メディアとして使うのはわかりますけど、売る側として使わないってどうなのか。
法林氏
会社としてFOMAの端末を持って、広報と電話が繋がらないとなっても、それはそれで問題だからね。
石川氏
だったら2台持ちすればいいじゃないですか。
石野氏
2Gから3Gは、日本独自のPDCから、グローバル標準を先走りすぎて、標準になりきる前に始まってしまったFOMAという特殊な事例ではありますけど、やっぱりこのころから、ドコモは世代交代が下手だなっていう印象がありますよね。
関口
LTEも「Xi(クロッシィ)」と呼んでいましたけど、いつからかXiって言わないことで褒められている時代がありましたよね。
石野氏
ネットワークの作り方において、新しい方を過信してる気がする。
石川氏
継続性が全くなくて、新しいものをパシってやる。
石野氏
そうなんですよ。なんなんですかね、この潔い感じ。
法林氏
W-CDMAとPDCは別々の通信方式で、デュアルモードの端末は数年後に1台しか出なかった。そういうマイナスが大きかったことをドコモの人ですら、あまりわかってなかった。
石野氏
デュアルモードが出たときに、一般の人がようやくFOMAでもいいかなって思い始めて、900が出てきてことで、もうこれでいいとなっていった。
法林氏
ネットワークが別ということは、4Gと5Gみたいに共用という仕組みではないということが、今の人たちには知られてない、かつキャリアの人たちでも知らない人がいるっていうのは、結構怖いなと思いました。
石野氏
海外でもそうですね。GSMと3Gは別システムだったので、その反省を踏まえてきた。
法林氏
ただ、GSMと3Gの端末は早くからあったんだよね。W-CDMAとPDCは1機種しかない。NECしかなかった。
石野氏
特殊だったっていうことですね。
関口
あの頃は、周波数がそんなに多くないから、1つの携帯電話でサポートしている周波数が全然なかったですよね。
法林氏
当初は2GHz帯だけ。2GのPDC時代は800MHz帯や1.5GHz帯の端末しか開発してないのに、2GHz帯の3G端末を開発した。3Gの端末として、2GHz帯の電話機を作ったのは、この時が初めて。FOMAが始まる前に、最初にW-CDMAの端末を見に行った時は、トラックでしたからね。
石野氏
1.5GHzで、シティフォンとかありましたもんね。
関口
当時は、普通の人でも何となく、1.5GHz帯ということを知っていましたよね。
法林氏
そういう意味だと、全くの新方式で、2GHz帯のみをサポートする電話機が出てきても、今の楽天モバイルより繋がらなかったね。
石川氏
しかも最初は、国道16号線の中とか、そんなレベルで狭かったし。
法林氏
全然繋がらなくて楽しかったね。しかも電池がものすごい勢いで減る。
石川氏
当時は必ず電池を変えられましたから。
法林氏
そう。しかも電池が、出荷時に2つ付いてくる。
石野氏
でもやっぱり、奇数世代って結構消滅しちゃうんだなって思いますね。海外だといまだにGSMが残ってたりします。
法林氏
あれはまた、ちょっと特殊だからね。
石野氏
でも、2Gが残ってるのに、3Gやめちゃうところもある。逆に4G LTEを見てると、IoTとかにも使われているので、GSMみたいにやめられない。そうすると、5Gは10年後ぐらいになくなっちゃったりするのかなって。そう考えると10年に1回、通信の世代をアップデートするのに、無理があるんじゃないかって思いますよね。
石川氏
そうだよね。それは結局、エリクソンとかクアルコムが儲けたいから、そこに付き合されてるだけだよね。
石野氏
それで結局、20年に一度しか当たらない。
関口
ちなみに、皆さんはご自宅に残っているiモード携帯はありますか。
石野氏
残ってますよ。
法林氏
僕も買ったやつは全部残っているな。














